1 / 5
| Model NO. | Solar Rail | Certification | GB, ISO, CE |
| Material | Aluminum Alloy | Type | Roof Bracket |
| Wind Load | 60m/S | Snow Load | 1.4kN/M2 |
| Coating | Anodic Oxidation | Service Life | Over 25 Years |
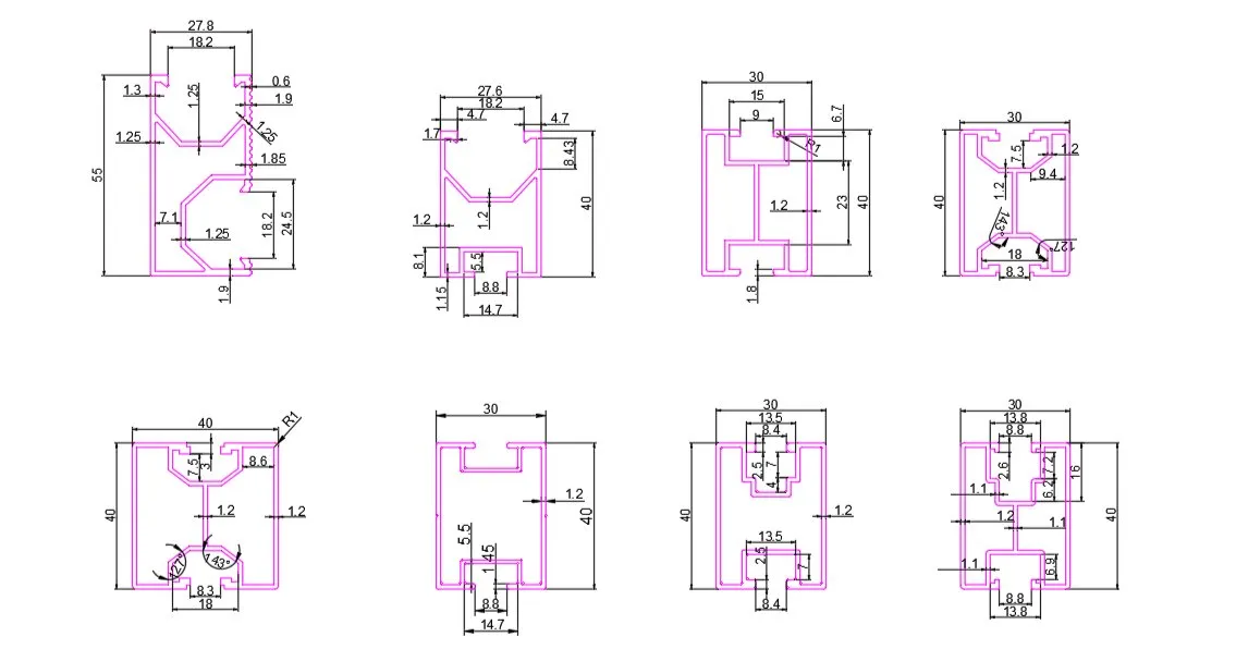
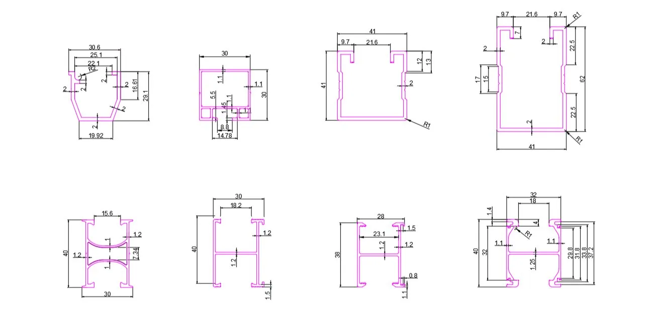
Our high-quality solar panel roof mounting brackets are engineered for durability and efficiency. Utilizing high-grade aluminum alloys (6063, 6005, 6061), these systems provide robust support for various photovoltaic module arrays.
| Wall Thickness | 1.0-2.0mm | Surface Treatment | AA10, AA15, Black oxidation, Electrophoresis |
| Customization | Available (OEM/ODM) | Corrosion Resistance | Very Strong |



Low Roof Load impact
25+ Years Durability
Resists Wind/Snow Loads
Fits All Roof Types
Rooftop-friendly processing
Low-carbon solution

